ECE :: Exam Questions Paper
-
For the circuit shown in figure below, the initial conditions are zero, its transfer function H(s) =
is :
-
The circuit given below:
If R1 = R2 = 20 kΩ and C1 = 0.2 μF and C2 = 0.005 μF. Then which of the given statements given below is true? -
The Nyquist sampling rate for the signal s(t) =
is given by -
The question below consists of a pair of related words followed by four pairs of words. Select the pair that best expresses the relation in the original pair.
Unemployed: Worker -
An FM transmitter delivers 80W to a load of 30 W when no modulation is present. The carrier is now frequency modulated by a single sinusoidal signal and the peak frequency deviation is so adjusted to make the amplitude of the second sideband is zero in the given output.
J0(0, 0) = 1,
J0(2, 4) = 0,
J0(3.8) = - 0.4,
J0(5.1)= - 0.1
J1(2, 4) = 0.52,
J1((3.8) = 0,
J1(5.1) = - 0.33,
J2(2.4) = 0.1
J2(3.8)= 0.41,
J2(5.1) = 0
Power in the first order sidebands is : -
For a binary symmetric channel, the error probability Pc(0) = Pc(1) =
and errors are statistically independent. The channel capacity for a signalling speed 2 bits/second. -
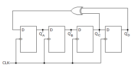
Figure below shows D type Flip-Flops connected as shift register, then outputs QD, QC, QB, QA are given by:

-
-
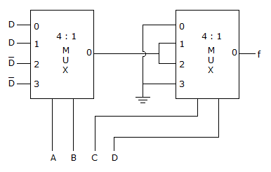
To realize following function 'f',

How many minimum number of 2 input NAND gates are required?

Whatsapp
Facebook

.

= 39.7875 Hz.
= 15.92 Hz.









and L[g(t)] =
also h(t) =
, where, x =
then, L[h(t)] = __________ .