Home / ECE / Exam Questions Paper :: Section 8

ECE :: Exam Questions Paper

  1. Px(X) = M exp(- 2 |x|) + N exp(- 3 |x|) is the probability density function for the real random variable X, over the entire x axis. M and N are both positive real numbers. The equation relating M and N is

  2. A.
    B.
    C.
    M + N = 1
    D.
    M + N = 3

  3. The electric field component of a time harmonic plane EM wave travelling in a non magnetic lossless dielectric medium has an amplitude of 1 V/m. If the relative permittivity of the medium is 4, the magnitude of the time-average power density vector (in W/m2) is


  4. The open loop transfer function of a unity feedback control system is given as The phase cross over frequency and the gain margin are respectively.

  5. A.
    and
    B.
    and
    C.
    and
    D.
    and

  6. A unity negative feedback closed loop system has a plant with the transfer function and a controller Gc(S) in the feed forward path. For a unit set input, the transfer function of the controller that gives minimum steady state error is


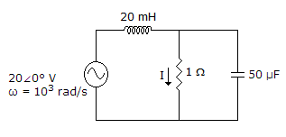
  7. Find current i.

  8. A.
    4/5 A
    B.
    5/4 A
    C.
    1.23 A
    D.
    1.32 A

  9. In a J-K FF we have J = Q and K = 1. Assuming the FF was initially cleared and then clocked for 6 pulses, the sequence at the Q output will be

  10. A.
    010000
    B.
    011001
    C.
    010010
    D.
    010101

  11. The following sequence represents autocorrelation of a real valued signal. The energy of real valued sequence is given by __________ x(n) = {1, _, 3, _, 5, _, 7, _, 9, 10, _, 8, _, 6, _, 4, _, 2, _}

  12. A.
    2[12 + 22 + 32 + 42 + 52 + 62 + 72 + 82 + 92] + 102
    B.
    10
    C.
    102
    D.
    2[12 + 22 + 32 + 42 + 52 + 62 + 72 + 82 + 92 + 102]

  13. The Vs is given by

  14. A.
    8 V
    B.
    13 V
    C.
    1 V
    D.
    4 V

  15. The current I in the circuit shown in

  16. A.
    - j1 A
    B.
    j1 A
    C.
    0 A
    D.
    20 A

  17. The magnitude plot of a composite signal x(t) = e3jt + e4jt is __________ .

  18. A.
    Half wave rectified sinusoid
    B.
    Full wave rectified sinusoid
    C.
    Exponentially increasing sinusoid
    D.
    Exponentially decreasing sinusoid