ECE :: Exam Questions Paper
-
In a communication system, a process in which statistical averages and time averages are equal is called as,
-
The materials not having negative temperature coefficient of resistivity are
-
The input to a binary communication system, denoted by a random variable x, takes on one of the two values 0 or 1 with probabilities
and
. The behaviour of the communication system is modelled by
P(Y = 1 |x = 1|) =
and P(Y = 0|x = 0) = 
Find P(Y = 1) -
Consider an AM system using a square law detector as shown in figure.

XC(t) = AC[1 + u x (t)] cos ωct, |ux(t)| << 1
The signal power at the output is : -
Thermal noise is passed through an ideal low-pass filter having cut-off at fc = ωHz. The auto correlation value of the noise at the output of the filter is given as
-
For dielectric to dielectric interface with surface charge density, which of the following statements are true?
- Dn2 - Dn1 = rs
- Et1 = Et2
- En1 = En2

-
Determine the correctness or otherwise of the following Assertion [a] and the Reason [r].
Assertion : FETs are more suitable at the input stages compared to BJTs
Reason: A FET has lower output impedance than a BJT. -
What are the ultimate purpose of minimizing logic expressions?
- To get small size expression.
- To reduce the number of variables in the given expression.
- To implement the function of the logic expression with least hardware.
- To reduce the expression for making it feasible for hardware implementation.
-
A function is given f(t) = sin2t + cos2t. Which of the following is true?
-
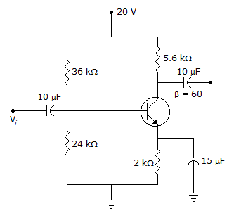
The amplifier network is shown below:
re and z0 is:

Whatsapp
Facebook