ECE :: Exam Questions Paper
-
The resonant frequency of the circuit shown in figure is,

-
A short grounded vertical antenna has a length L which is 0.05λ at frequency f. If its radiation resistance at f is R ohms, then its radiation resistance at a frequency 2f will be
-
Which of the following is a solution to the differential equation
? -
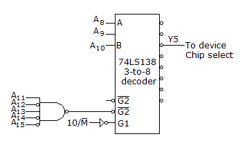
In the circuit shown, the device connected to Y5 can have address in the range

-
In a certain network not containing any dependent sources, number of nodes = 4 and number of branches is equal to 6.
-
The following statements are true with respect to "Cascode Amplifier".
- The reduction in h12 and Miller capacitance result in negligible reverse internal feedback.
- A's is large loads cannot be connected.
- As a narrow band amplifier, it provides small range of cμ is reduced.
- As a narrow band amplifier it provides small range of frequencies parameters the effect of cμ reduces.
-
A 4 cm by 3 cm rectangular waveguide with air cavity, is operating at 12 GHz with TE11 mode. The cut-off frequency is:
-
For a bipolar transistor, avalanche multiplication factor depends on __________ .
-
In the following transistor circuit VBE = 0. 7 V, rc = 25mV/IE, and β and the capacitance are very large

The mid-band voltage gain of the amplifier is approximately


Whatsapp
Facebook

.
= 4 H
.



is large, large loads can be connected.
.


.