ECE :: Exam Questions Paper
-
A lossless 50 Ω transmission line is terminated 30 + j25 Ω, then voltage reflection coefficient and current reflection coefficient are
-
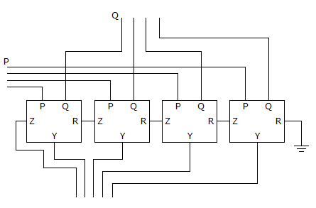
The circuit shown in the figure has 4 boxes each described by inputs P, Q, R and outputs Y, Z with
Y = P ⊕ Q ⊕ R, Z = RQ + P R + Q P
The circuit is a -
Find the electric charge required on the earth and moon to balance their gravitational attraction if the charge on the earth is 12.5 times that on the moon.
Mass of moon = 6.7 x 1022 Kg
Mass of earth = 6 x 1024 Kg
Distance between moon and earth = 380 Km
Universal gravitational constant = 6.7 x 10-11 Nm2/Kg2 -
When x(n) is real then the Fourier series coefficients are correlated as __________ .
-
A lossless transmission line with air dielectric is 6 m long. What is the line length at 30 MHz?
-
Given that F(s) is the one-sided Laplace transform of f(t), the Laplace transform of
f(t)dt is -
The antenna current of an AM broad cast transmitter, modulated to a depth of 40% by an audio sine wave is 11 amperes. It increased to 12 ampere as a result of simultaneous modulation by another sine wave. The modulation index due to this second sine wave is :
-
Two D flip-flop as shown below are to be connected as a synchronous counter that goes through the following Q1Q0 sequence
00 → 01 → 11 → 10 → 00 → __________
The inputs D0 and D1 respectively should be connected as

Whatsapp
Facebook


.


= 12.5 x 4
= 0.6 wave length long.
F(





. Its final value is :
.