Home / ECE / Exam Questions Paper :: Section 10

ECE :: Exam Questions Paper

  1. The two numbers represent in signed 2's complement form are P = 11101101 and Q = 111001110. If Q subtracted from P, the value obtained in signed 2's complement form is

  2. A.
    100000111
    B.
    00000111
    C.
    11111001
    D.
    111111001

  3. The transfer function of an RLC circuit is given by quality factor (Q-factor) of this circuit is :

  4. A.
    25
    B.
    50
    C.
    100
    D.
    5000

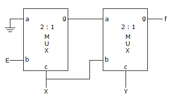
  5. Consider the circuit shown below of 2 : 1 MUX is given by the function g = ac + bc

    Then f is :

  6. A.
    X ⊕ Y
    B.
    XY + EXY
    C.
    XE + XY
    D.
    none of these

  7. All the four of the 2 x 2 matrix p = are non zero, and one of its eigen values is zero. Which of the following statements is true?

  8. A.
    P11P22 - P12P21 = 1
    B.
    P11P22 - P12P21 = - 1
    C.
    P11P22 - P12P21 = 0
    D.
    P11P22 + P12P21 = 1

  9. The value of the integral of the function g(x, y) = 4x3 + 10y4 along the straight line segment from the point (0, 0) to the point (1, 2) in the x-y plane is

  10. A.
    33
    B.
    35
    C.
    40
    D.
    56

  11. For the gear train,

    If θ1 = 2 rad. clockwise and the torque of gear 1 is 10 lb-ft, what is the displacement and torque of gear 7.

  12. A.
    rad CW, 7.5 lb-ft
    B.
    4 rad CW, 5 lb-ft
    C.
    rad CW, 7.5 lb-ft
    D.
    rad CW, 7.5 lb-ft

  13. The following system which is static is __________ .

  14. A.
    B.
    C.
    y(t) = x(n - 1)
    D.
    y(t) = ex(t)

  15. The minimal function that can detect a "divisible by 3" 8421 BCD code digit (representation D8D4D2D1) is given by

  16. A.
    D8D1 + D4D2 + D8D2D1
    B.
    D8D1 + D4D2 D1 + D4D2D1 + D8D4D2D1
    C.
    D4D1 + D4D2 + D8D4 D2D1
    D.
    D4D2D1 + D4D2D1 + D8D4D2D1

  17. A delta modulation system is designed to operate at 3 times the Nyquist rate for a signal with a 3 KHz bandwidth. The quantization step size is 250 mv. The maximum amplitude of a 1 KHz input sinusoidal for which the delta modulator does not show slope overload is :

  18. A.
    716.2 mV
    B.
    500 mV
    C.
    647.87 mV
    D.
    400 mV

  19. Values of iL, , VC and at t = 0 are given by,

  20. A.
    4 Amp, - 4 Amp/sec, 12 volts, - 4 volts/s
    B.
    4 Amp, 4 Amp/sec, -12 volts, - 12 volts/s
    C.
    6 Amp, - 2 Amp/sec, 0 volts, - 2 volts/sec
    D.
    6 Amp, 0 Amp/sec, - 2 volts, - 2 volts/sec