GATE 2017-2018 :: GATE ECE
-
Three capacitors C1, C2 and C3 whose values are 10μF, 5μF, and 2μF respectively, have breakdown voltages of 10V, 5V, and 2V respectively. For the interconnection shown below, the maximum safe voltage in Volts that can be applied across the combination, and the corresponding total charge in μC stored in the effective capacitance across the terminals are respectively,

-
There are four chips each of 1024 bytes connected to a 16 bit address bus as shown in the figure below. RAMs 1, 2, 3 and 4 respectively are mapped to addresses

-
In the circuit shown below, the silicon npn transistor Q has a very high value of β . The required value of R2 in kΩ to produce IC = 1 mA is

- Let U and V be two independent and identically distributed random variables such that P(U = +1) = P(U= -1) = 1/2. The entropy H(U + V) in bits is
-
Bits 1 and 0 are transmitted with equal probability. At the receiver, the pdf of the respective received signals for both bits are as shown below.
If the detection threshold is 1, the BER will be -
Bits 1 and 0 are transmitted with equal probability. At the receiver, the pdf of the respective received signals for both bits are as shown below.
The optimum threshold to achieve minimum bit error rate (BER) is -
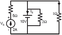
Consider the following figure
The current IS in Amps in the voltage source, and voltage VS in Volts across the current source respectively, are -
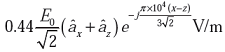
A monochromatic plane wave of wavelength λ = 600μm is propagating in the direction as shown in the figure below.
denote incident, reflected, and transmitted electric field vectors associated with the wave.The angle of incidence θi and the expression for
are -
A monochromatic plane wave of wavelength λ = 600μm is propagating in the direction as shown in the figure below.
denote incident, reflected, and transmitted electric field vectors associated with the wave.The expression for
is

Whatsapp
Facebook
.
.
.
.
.
.
.
.