ECE :: Network Analysis and Synthesis
-
Substitution theorem applies to
-
An R-L circuit has an initial current of 5 A. In the s-domain equivalent circuit, the voltage source to take into account the initial current has a strength of
-
Transient current in a loss free LC circuit when excited from an ac source is an __________ sine wave.
-
Choose the correct option
-
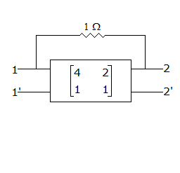
The y parameters of a four terminal network are
. A one ohm resistance is connected as shown in figure. The new y parameters are
-
What would be the rms value of a sine wave having the same peak value as that of the above mentioned periodic wave?
-
Which of the following is true for RC impedance?
-
In a series RLC circuit for lower frequency power factor is __________ .


Whatsapp
Facebook
