ECE :: Network Analysis and Synthesis
-
The number of electrons in motion at the instant of positive peak of a symmetrical ac wave is the same as that at the instant of negative peak.
-
A two branch parallel tuned circuit has 100 Ω resistance and 0.1 H inductance in one branch and 10-6 F capacitor in the other. At resonance frequency, the dynamic resistance is
-
Special circuits using neon tubes, contact relays and capacitors are used in many domestic appliances. The role of capacitor in figure is to

-
A series R, L, C circuit has R = 2Ω, L = 1H, C = 1 μF. It is connected to an ac variable frequency source of peak voltage 10 V. At resonance the power supplied by the source will be
-
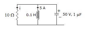
In the circuit shown in figure the inductor current and capacitor voltage are given at a time t. At this instant i is __________ A and
is __________ A/sec.
-
The inductance of an air cored coil is 2 H. The number of turns is made 3 times, all other quantities remaining the same. The new value of inductance will be 2 2
-
A loudspeaker transformer has a turns ratio of 20 : 1. The speaker impedance is 20Ω. Primary impedance of transformer is

Whatsapp
Facebook




.
, the phase at w = 15 is

.
. ZL
20 x 400