Home / ECE / Network Analysis and Synthesis :: Section 6

ECE :: Network Analysis and Synthesis

  1. The three sides of an admittance triangle denote

  2. A.
    G, B, Y
    B.
    R, X, Y
    C.
    G, B, Z
    D.
    (R, Y, Z) or (R, X, Z)

  3. A step voltage E is applied to an R-L series circuit. At t = 0, the current in the circuit is

  4. A.
    E/R
    B.
    E/L
    C.
    infinity
    D.
    zero

  5. To find current in a resistance connected in a network, Thevenin's theorem is used VTH = 20 V and RTH = 5 Ω. The current through the resistance

  6. A.
    is 4 A
    B.
    is 4 A or less
    C.
    is less than 4 A
    D.
    may be 4 A or less or more than 4 A

  7. In figure, the magnitude of V

  8. A.
    must be more than that of Va
    B.
    must be more than that of Vb
    C.
    must be more than that of Va or Vb
    D.
    can be equal to or less than or more than that of Va or Vb

  9. A step voltage E is applied to a series R-L circuit. The rate of change of current is maximum at t =

  10. A.
    zero
    B.
    infinity
    C.
    L/R
    D.
    R/L

  11. The driving point impedance of a network is The number of energy storing elements in the network is

  12. A.
    1
    B.
    2
    C.
    3
    D.
    4

  13. Two currents have the same peak value. Wave 1 is sinusoidal and wave 2 is rectangular. The ratio of their heating effects are

  14. A.
    1 : 1
    B.
    1 : 2
    C.
    1 : 2
    D.
    1 : 1.5

  15. The following differential equation has

  16. A.
    degree = 2, order = 1
    B.
    degree = 3, order = 2
    C.
    degree = 4, order = 3
    D.
    degree = 2, order = 3

  17. If the transmission parameters of the given networks are A = C = 1, B = 2 and D = 3, then the value of Zm is

  18. A.
    12/13 Ω
    B.
    13/12 Ω
    C.
    3 Ω
    D.
    4 Ω

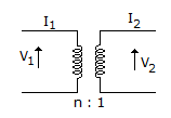
  19. The ABCD parameters of ideal n : 1 transformer shown in the figure are . The value of X will be

  20. A.
    n
    B.
    1/n
    C.
    n2
    D.
    1/n2