ECE :: Network Analysis and Synthesis
-
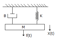
For the mechanical system of figure, the correct differential equation is (where x = displacement in m, M = mass in kg, B = damping constant, N - sec/m K is spring constant, N/m and F = force, newton).

-
The voltage in a circuit follows the law v = 100 sin ωt if the frequency is 25 Hz, how long will it take for the voltage to rise to 50 volts?
-
In a discharging R-L circuit voltage across the resistor exhibits
-
Choose the correct option
- Mesh is the smallest loop of circuit
- Loop is smallest path of circuit
- Loop does not contain any mesh
- Loop may have one or more than one mesh
-
In the given circuit, V1 = 40 V when R is 10 Ω. When R is zero, the value of V2 will be

-
An input circuit has both direct and alternating current flowing through it. It is desired to transfer alternating current only by using one of the coupling units shown in figure. The coupling circuit which will do this job most effectively is
-
In one time constant, the current in a circuit reaches __________ percent of its final value.

Whatsapp
Facebook
then the value of
is