ECE :: Network Analysis and Synthesis
-
Assertion (A): For a physically realisable driving point function, the degree of numerator and denominator should be equal.
Reason (R): The sum of positive real functions is real.
-
In the figure circuit, V1 = 40 V. When R is 10 Ω. When R is zero, the value of V2 will be

-
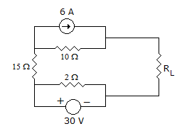
In the circuit shown in the given figure, RL will absorb maximum power when its value is

-
In an RC series circuit excited by dc voltage E, the current at t = 0 is
-
The current through a 10 Ω resistance in a dc circuit having two emf sources is 3A. If this resistance is changed to 20 Ω, the new value of current will be
-
A planar graph has 6 nodes and 7 branches. The number of meshes in the dual graph is
-
An ac voltage 20 sin 1000t feeds an R-C series circuit. R = 8 Ω and active power is 4 W. The power factor is
-
Two resistances of 2 Ω each are connected in series. A shunt having zero resistance is connected across the combination. The overall resistance will be


Whatsapp
Facebook




and find RL = ?.
l = 2.
or
or 
