ECE :: Network Analysis and Synthesis
-
An RL series circuit has an impedance of 20 Ω when frequency is 25 Hz. At f= 50 Hz, the impedance will be
-
In figure, the voltmeter is ideal. The transformer has two identical windings with perfect coupling. The reading of voltmeter is

-
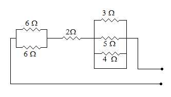
The resistance of the circuit shown is figure is

-
The self inductances of two coils are 27 H and 3 H. If the winding or coils is such that 50% of flux of one links the other, the mutual inductance is
-
The rms voltage measured across each of the circuit element in figure is as shown, when the circuit is excited by a sinusoidal voltage Es, the rms value of the source voltage es is

-
For H(s) to be positive real, the condition Re[H(jω)] ≥ 0 for 0 ≤ ω ≤ ∞ is

Whatsapp
Facebook
is
3 + j4

I2 = 0.22 A
