ECE :: Network Analysis and Synthesis
-
The poles with greater displacement from the real axis correspond to
-
In figure, the capacitor is charged to 1 V. At t = 0 the switch is closed so that i = e-t. When i = 0.37 A, the voltage across capacitor is

-
Assertion (A):
is positive real.Reason (R): For a positive real function Re[H(jω)] ≥ 0 for 0 ≤ ω ≤ ∞.
-
A constant k band pass filter has a pass band from 100 to 400 Hz. The resonant frequency of series and shunt arms is
-
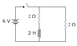
The circuit in figure is switched on at t = 0. At any time t, i(t) =

-
Two similar coupled coils are connected in series. The total inductance in series aiding connection is 100 mH. If currents is 3 A, the energy stored in magnetic field is
-
Thevenin's impedance of an ac network is in general

Whatsapp
Facebook

6Ω
