GATE 2017-2018 :: GATE Physics
-
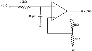
Consider the following circuit
For this circuit the frequency above which the gain will decrease by 20 dB per decade is - A number is as much greater than 75 as it is smaller than 117. The number is:
-
The professor ordered to the students to go out of the class.I II III IVWhich of the above underlined parts of the sentence is grammatically incorrect?
-
Which of the following options is the closest in meaning to the word given below: Primeval
- Friendship, no matter how _________it is, has its limitations.
-
Select the pair that best expresses a relationship similar to that expressed in the pair: Medicine: Health
- X and Y are two positive real numbers such that 2X + Y ≤ 6 and X + 2Y ≤ 8. For which of the following values of (X, Y) the function f(X, Y) = 3X + 6Y will give maximum value?
-
Following table provides figures (in rupees) on annual expenditure of a firm for two years - 2010 and 2011.
In 2011, which of the following two categories have registered increase by same percentage?

Whatsapp
Facebook