GATE 2017-2018 :: GATE EEE
- A function y = 5x2 +10 x is defined over an open interval x = (1, 2) . At least at one point in this interval, dy/dx is exactly
- When the Newton-Raphson method is applied to solve the equation f (x) = x3 + 2x -1= 0, the solution at the end of the first iteration with the initial guess value as x0 = 1.2 is
-
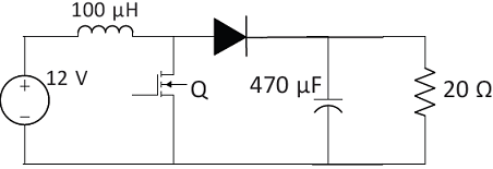
In the figure shown below, the chopper feeds a resistive load from a battery source. MOSFET Q is switched at 250 kHz, with a duty ratio of 0.4. All elements of the circuit are assumed to be ideal.
The average source current in Amps in steady-state is -
In the figure shown below, the chopper feeds a resistive load from a battery source. MOSFET Q is switched at 250 kHz, with a duty ratio of 0.4. All elements of the circuit are assumed to be ideal.
The PEAK-TO-PEAK source current ripple in Amps is -
The state variable formulation of a system is given as
The system is -
The state variable formulation of a system is given as
The response y (t) to a unit step input is -
The Voltage Source Inverter (VSI) shown in the figure below is switched to provide a 50 Hz, square-wave ac output voltage (vo) across an R-L load. Reference polarity of vo and reference direction of the output current io are indicated in the figure. It is given that R = 3Ω, L = 9.55 mH.
In the interval when vo < 0 and io > 0 the pair of devices which conducts the load current is -
They were requested not to quarrel with others. Which one of the following options is the closest in meaning to the word quarrel?
- In the summer of 2012, in New Delhi, the mean temperature of Monday to Wednesday was 41°C and of Tuesday to Thursday was 43°C. If the temperature on Thursday was 15% higher than that of Monday, then the temperature in °C on Thursday was
-
Complete the sentence: Dare _______________ mistakes.

Whatsapp
Facebook