GATE 2017-2018 :: GATE EEE
- A continuous random variable X has a probability density function f(x) = e-x , 0 < x < ∞. Then P{X > 1} is
-
In the feedback network shown below, if the feedback factor k is increased, then the

-
The Bode plot of a transfer function G(s) is shown in the figure below.
The gain (20 log |G(s)|) is 32 dB and “8 dB at 1 rad/s and 10 rad/s respectively. The phase is negative for all ω. Then G(s) is - A bulb in a staircase has two switches, one switch being at the ground floor and the other one at the first floor. The bulb can be turned ON and also can be turned OFF by any one of the switches irrespective of the state of the other switch. The logic of switching of the bulb resembles
- For a periodic signal v(t) = 30 sin100t + 10 cos 300t + 6 sin (500t + π / 4) , the fundamental frequency in rad/s is
- A band-limited signal with a maximum frequency of 5 kHz is to be sampled. According to the sampling theorem, the sampling frequency in kHz which is not valid is
-
Consider a delta connection of resistors and its equivalent star connection as shown below. If all elements of the delta connection are scaled by a factor k, k > 0, the elements of the corresponding star equivalent will be scaled by a factor of

- The angle δ in the swing equation of a synchronous generator is the
- Leakage flux in an induction motor is
-
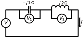
Three moving iron type voltmeters are connected as shown below. Voltmeter readings are V, V1 and V2, as indicated. The correct relation among the voltmeter readings is


Whatsapp
Facebook