ECE :: Electronic Devices and Circuits
-
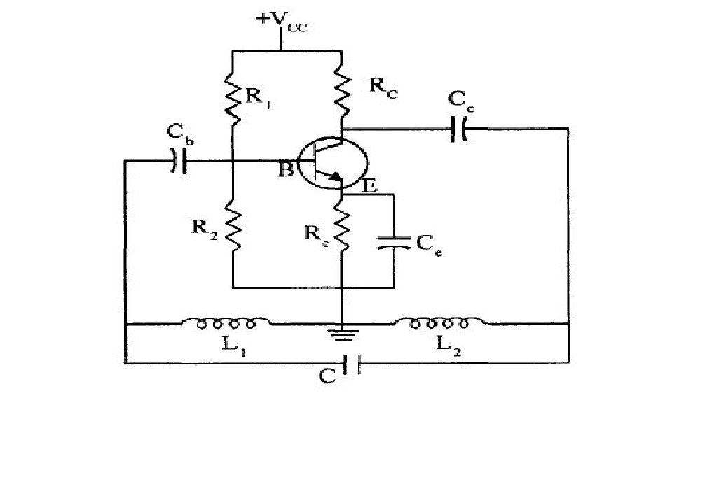
The below circuit is known as ______________

-
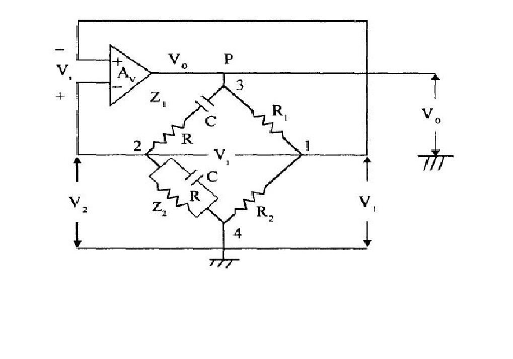
The below circuit is known as _______

-
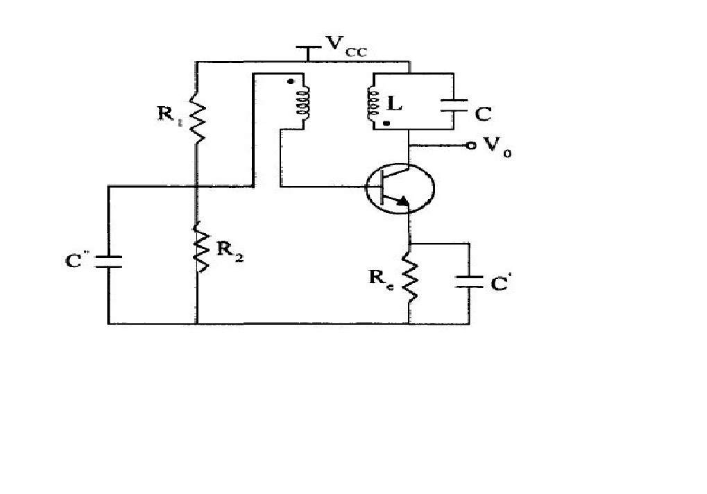
The below circuit is known as ___________

-
The below circuit is known as _________

- Which of the following expressions represents the correct distribution of the electrons in the conduction band? (gc(E)=density of quantum states, fF(E)=Fermi Dirac probability
- What is the value of the effective density of states function in the conduction band at 300k?
- In a semiconductor which of the following carriers can contribute to the current?

Whatsapp
Facebook