ECE :: Electronic Devices and Circuits
- _______ is the terminal through which the majority carriers enter the bar in FET
- _______ is the terminal through which the majority carriers leave the bar in FET
-
The symbols below comes under which category of MOSFET

- _________ circuit converts the electrical energy in the form of DC into electrical energy in the form of AC
-
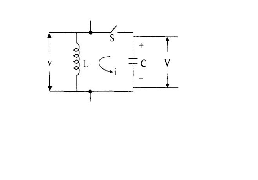
The below circuit is known as _________

-
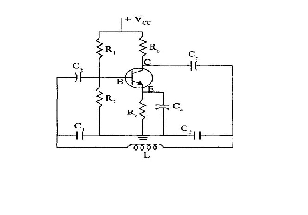
The below circuit is known as ____________



Whatsapp
Facebook


