ECE :: Digital Electronics
-
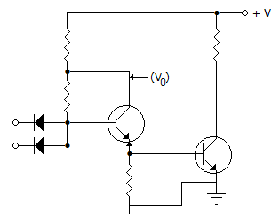
The logic performed by the high-noise immunity logic circuit shown below is

-
An 8156 has A15 connected to its CE input. A14 to A8 are unconnected, and AD7 to AC0 are connected.Ignoring shadows, the port addresses
-
In 8085 microprocessor, what is the length of IR (instruction register)?
-
A sequence detector is required to give a logical output of 1 whenever the sequence 1011 is detected in the incoming pulse stream. Minimum number of flip-flops needed to built the sequence detector is
-
The contents of the program counter after the call operation will be

-
Which is correct with respect to computer memory?
-
A 3 bit binary adder should use
-
For a depletion type NMOS, Vp = - 4 volts. For VGS = 0, 1D = 16 mA in the pinch off region of VDS. For VGS = - 2, the value of ID in the pinch off region of VDS is given by
-
The two outputs of RS flip-flop are

Whatsapp
Facebook