ECE :: Digital Electronics
-
For a Mod 64 parallel counter we need
-
Am equivalent 2's complement representation of the 2's complement number 1101 is
-
In a 7 segment display the segments a, c, d, f, g are lit. The decimal number displayed will be
-
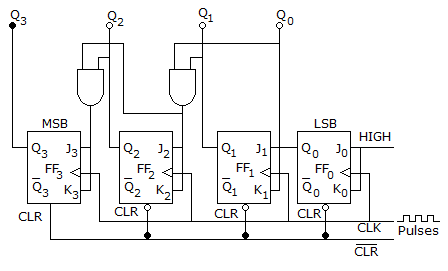
For a Mod-64 synchronous counter the number of flip flops and AND gates needed is
-
A 4 bit DAC gives an output of 4.5 V for input of 1001. If input is 0110, the output is

Whatsapp
Facebook




