ECE :: Digital Electronics
-
In 8085 microprocessor, how many I/O ports can be accessed by direct method?
-
If the mantissa of a digital computer is 37 bit long then the accuracy of the digital computer will be of
-
Bipolar IC memories are fabricated using
-
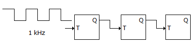
The circuit in the given figure is

-
A D-flip-flop is
-
The fetching, decoding and executing of an instruction is broken down into several time intervals. Each of these intervals, involving one or more clock periods, is called a
-
The output of the circuit shown below will be of the frequency

-
Assertion (A): An encoder converts key dips to binary code.
Reason (R): An encoder has more inputs than output.
-
If a RAM has 34 bits in its MAR and 16 bits in its MDR, then its capacity will be

Whatsapp
Facebook
