ECE :: Digital Electronics
-
The hexadecimal number given below represent decimal numbers which are multiples of DC, C8, BE, 46, IE
-
A master slave flip-flop has the characteristics that
-
Which of the following flip-flops is used as latch?
-
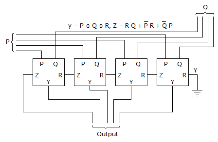
The circuit show in the figure has 4 boxes each described by inputs P, Q, R and outputs y, z with
Y = P ⊕ Q ⊕ R, Z = RQ + PR + QP The circuit act as a
-
Logic pulser
-
The no. of FF required and the maximum decimal no. of a MOD-12 counter is
-
In a four variable K map eight adjacent cells give
-
The MOS symbol shown indicates that
- It is depletion type
- It is enhancement type
- It is channel
- It is P-channel
- Electrons flow from s to D
- Holes flow from D to s

Whatsapp
Facebook