ECE :: Automatic Control Systems
-
In position control system the device used for providing rate feedback voltage is
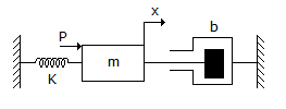
-
For the system of the given figure, the closed loop poles are at

-
Derivative control action is effective?
-
Modelling error may occur due to
-
In Bode diagrams an octave is a frequency band from

Whatsapp
Facebook
. 

.
.If x(t) = t2, Y(s) is
.
= 0.1 or - 20 dB.
damping ratio is
. Hence
.