Civil Engineering :: UPSC Civil Service Exam Questions
-
What will be the curve lead for a 1 in 8 1/2 turnout taking off from a straight broad gauge track?
-
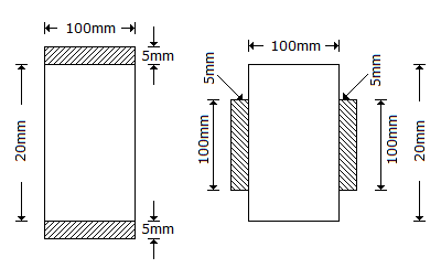
A timber beam of 100 mm width and 200 mm depth is reinforced with two steel plates of 100 mm width and 5 mm thickness as shown in figures.

Which one of the following statements is correct for the same value of bending stress in the timber ? -
The following statements relate to the pressure exerted by a fluid on a Submerged curved surface :
1. The vertical component of hydrostatic force acting on a submerged curved surface acts through the centre of volume of the fluid directly above the submerged area.
2. The horizontal component of the force acting on a curved surface is the hydrostatic force acting on the vertical projection of the curved surface.
3. The resultant force on a curved surface acts on the bottom of th6 curved surface.
Of these statements : -
The lost time due to starting delay on a traffic signal is noted to be 3s, the actual green time is 25s and yellow time is 3s. How much is the effective green time ?
-
Consider the following locations of a turnout:
1. Tongue rail
2. Lead rail
3. Toe of switch
4. Crossing.
Which is the correct sequence for a train to pass over the turnout from the facing direction? -
Which one of the following expresses the height of rise or fall of a liquid in a capillary tube ?(w = Specific weight of the liquid α = Angle of contact of the liquid surface σ = Surface tension)
-
Given that Plasticity Index (PI) of local soil = 15 and PI of sand = zero, for a desired PJ of 6, the percentage of sand in the mix should be
-
Two closely-coiled springs A and B of the same material, same wire and same number of turns are subjected to an axial load of W. The mean diameter of spring A is half that of spring B. The ratio of deflection of spring B to that of spring A will be
-
A column ABCD (2y1 x 2y2) of rectangular section carries a load P at Z having the co-ordinates (x, y) as shown in the given figure.
If the compressive streses are taken as positive and area A = 2y1 x 2y2 = 4y1 y2 and the moment of inertia about x and y axis being Ixx and Iyy respectively, then the stress at the corner D is
-
What are leaping weirs ?

Whatsapp
Facebook