Home / Civil Engineering / UPSC Civil Service Exam Questions :: Section 18

Civil Engineering :: UPSC Civil Service Exam Questions

  1. An equipment is purchased for Rs. 40, 000.00 and is fully depreciated by straight line method over 8 years. Considering interest on average annual cost at 15% p.a., the charge on the Company due to use of this equipment, if made uniformly over the 8 years, is

  2. A.
    Rs. 5, 750
    B.
    Rs. 8, 000
    C.
    Rs. 8, 375
    D.
    Rs. 14, 000

  3. A vane shear test on a soil sample gives a moment of total resistance M. The shear stress at failure, 'S' being more of less uniform at top bottom and surface of cylinder of soil is given by (where H = height of vane, D = Diameter of vane)


  4. The most important purpose of frog in a brick is to :

  5. A.
    emboss manufacturer's name
    B.
    reduce the weight of brick
    C.
    form keyed joint between brick and mortar
    D.
    improve insulation by providing 'hollows'.

  6. Gross flange area for a riveted plate girder is to be designed considering net area as 80% of its gross area. Consider width of the flange as 500 mm while web plate as 1000 mm x 12 mm. The girder is to resist a maxi-mum BM of 4500 kNm. Maximum allowable bending stress in tension is 150 MPa. Gross flange area is

  7. A.
    22000 mm2
    B.
    35500 mm2
    C.
    46000 mm2
    D.
    73000 mm2

  8. Uniformity coefficient of filter sand is given by :

  9. A.
    D50/D5
    B.
    D50/D10
    C.
    D60/D5
    D.
    D60/D10

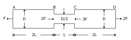
  10. For the compound bar shown in the below figure, the ratio of stresses in the portions AB : BC : CD will be

  11. A.
    4 : 1 : 2
    B.
    1 : 2 : 4
    C.
    1 : 4 : 2
    D.
    4 : 2 : 1

  12. Compression index of a soil helps to determine

  13. A.
    total time required for consolidation
    B.
    time required for 50 percent consolidation
    C.
    total settlement of clay water
    D.
    pre-consolidation pressure of clay

  14. At what distance from left support of the beam, is the shear force zero ?

  15. A.
    1 m
    B.
    1.25 m
    C.
    1.5 m
    D.
    2.5 m

  16. What is the volume of a 6 m deep tank having rectangular shaped top 6 m x 4 m and botton 4 m x 2 m (computed through the use of prismoidal formula) ?

  17. A.
    96 m3
    B.
    94 m3
    C.
    92 m3
    D.
    90 m3

  18. Why are intermediate vertical stiffeners provided in plate girders ?

  19. A.
    To eliminate web buckling
    B.
    To eliminate local buckling
    C.
    To transfer concentrated loads
    D.
    To prevent excessive deflection.