Civil Engineering :: UPSC Civil Service Exam Questions
-
If the stress on the cross-section of a circular short column of diameter D is to be wholly compressive, the load should be applied within a concentric circle of diameter
-
What does higher standard deviation imply in cost analysis ?
-
Consider the following statements :
The disease of dry not in timber is caused by :
1. complete submergence in water.
2. alternate wet and dry condition.
3. lack of ventilation.
Which of the statements given above is/are correct ? -
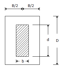
A section of a flitched beam is shown in the given figure. The main role of the steel plate placed between the two timber sections is to

-
A velocity field with no components in the y and z directions is given by V = 6 + 2xy +t2
The acceleration along the x-direction at a point (3, 1, 2), at time 2, is -
For stream function ψ = 3x2 - y3, the magnitude of velocity at the point (2, 1) is
-
Consider the following statements about provision of sag rods :
1. Sag rods reduce span length of purlin in the weak direction.
2. Sag rods are installed in the plane of the roof.
3. Ridge purlin is subject to vertical components of sag rods on either side of slope.
Which of the statements given above are correct ? -
The smallest scale adopted for topographical surveys is
-
A shot of mass m penetrates a thickness t of a fixed plate of mass M. If the plate were free to move and the resistance supposed to be uniform, which one of the following is the thickness penetrated ?

Whatsapp
Facebook