Civil Engineering :: UPSC Civil Service Exam Questions
-
The three-point problem in hydrographic surveying considers the data on the location of three shore signals A, B and C and the angles α and β subtended by AP, BP and CP at the boat P; and then proceeds to plot the position of P. The problem may become indeterminate is special cases when
-
Horizontal stiffeners are needed in plate girders if the thickness of web is(where d = distance between the flanges and L = span)
-
What is the full width of the land aquired before finalizing highway alignment, known as ?
-
What is the superelevation for a horizontal highway curve of radius 500 m and speed 100 kmph in mixed traffic condition ?
-
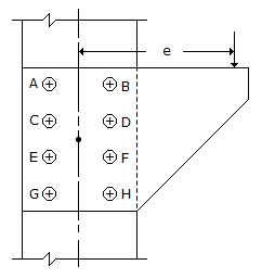
In the riveted connection shown in the given figure, the rivets subjected to maximum stress would include

-
An elementary structural frame ABC consists of a vertical member BC and a cantilever beam AB which carries a load P at the free end A, as shown in the given figure. The bending moment diagram consists of

-
Approximate ratio of the permeabilities of two clean soils having D10 = 0.6 mm and D10 = 0.3 mm is
-
The ratio of the torsional moments of resistance of a solid circular shaft of diameter D, and a hollow circular shaft having external diameter D and internal diameter d is given by
-
The force in member AB is in the given figure


Whatsapp
Facebook