Civil Engineering :: UPSC Civil Service Exam Questions
-
At a certain point in a structural member, there are perpendicular stresses 80 N/mm2 and 20 N/mm2, both tensile. What is the equivalent stress in simple tension, according to the maximum principal strain theory ? (Poisson's ratio = 0.25)
-
Duration along the critical path defines which of the following ?
1. Shortest duration needed
2. Shortest duration permissible
3. Longest duration needed
4. Longest duration permissible
Select the correct answer using the code given below : -
A cantilever of constant depth carries a uniformly distributed load on the whole span. To make the maximum stress at all sections the same, the breadth of the section at a distance x from the free end should be proportional to
-
Consider the following parameters related to a rotary intersection :
1. Width of the weaving section.
2. Length of the weaving section.
3. Proportion of weaving traffic.
4. Weaving angle.
5. Width of the carriageway at entry.
Capacity is generally expressed in terms of -
Consider the following statements :
I. The intersection of the first and last ray in funicular diagram is on the line of action of the resultant.
II. Intersection of first and last ray in polar diagram gives the magnitude of the resultant.
Of these statements : -
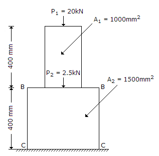
What is value of stress at the base CC for the bar shown in the given figure ?

-
The frame shown in the given figure has

-
Following data are given for two soil samples A and B :
Sample A : Void ratio = 1, total volume = 1 m3
Sample B : Void ratio = 2, total volume = 1 m3.
The two samples are mixed and compacted in a mould to a volume of 1 m3. Which one of the following figures correctly indicates the porosity of the compacted soil ? -
The laboratory tests on a sample yielded the following results :
Plasticity index : 32 %
Liquidity index : - 0.15,
Activity number: 1.58.
Which of the following inferences can be drawn ?
1. The soil is very stiff.
2. The soil is medium soft.
3. The soil is highly plastic.
4. The soil is medium plastic.
5. The soil is active.
Select the correct answer using the codes given below : -
The compacting factor test of cement concrete determines its

Whatsapp
Facebook