ECE :: Measurements and Instrumentation
-
Two resistances are R1 = 36 ± 5% and R2 = 75 ± 5%. If they are connected in parallel, the limiting error in percent will be
-
For critical damping, the resistance in D'Arsonval galvanometer circuit should be equal to
-
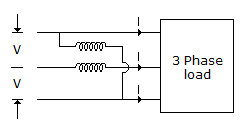
In figure, the reading of wattmeter will be proportional

-
Consider the following statements about mutual inductances:
- The value should remain constant under all conditions.
- The mutual inductance should not vary with temperature.
- The inductance should be independent of excitation.
- They have two coils wound on a bobbin of hard magnetic material, coils being separated by a range.
-
In low power factor wattmeter, the pressure coil is connected
-
Figure shows the equivalent circuit of resistor. The resistor is non-inductive when

-
Assertion (A): Electrodynamic instrument is not used as ammeter or voltmeter.
Reason (R): Electrodynamic instrument is more costly than PMMC and moving iron instrument.
-
Consider the following statements regarding electro-dynamometer type indicating instrument
It can be used for measuring- Direct current
- Alternating current
- Direct voltage
- Alternating voltage

Whatsapp
Facebook