ECE :: Matching Questions
-
Match the following:
List I List II A. Tangent galvanometer 1. Can be used for dc only B. Moving coil instrument 2. Integrating instrument C. Household energy meter 3. Used for voltage measurement only D. Electrostatic instrument 4. Absolute instrument
-
Match the following:
List I (Transmission system) List II (Mode) A. Rectangular waveguide 1. TE/TM B. Circular waveguide 2. TEM C. Coaxial line 3. Quasi TEM D. Microstrip line
-
Match the following:
List I List II A. 
1. Band reject (notch) filter B. 
2. Band pass filter C. 
3. High pass filter D. 
4. Low pass filters
-
Match the following:
List I (Functional components) List II (Device) A. Error detector 1. Three phase FHP Induction motor B. Servo motor 2. Synchro transmitter and control transformer C. Amplifier 3. Tacho generator D. Feed back 4. Armature controlled FHP dc motor 5. Amplidyne
-
Match the following:
List I List II A. Resistance 1. M-1L-2T4I2 B. Inductance 2. ML2T-2I-2 C. Capacitance 3. ML2T-3I2
-
Match the following:
List I List II A. Ratio of maximum energy stored to energy dissipated per cycle 1. Propagation constant B. TEM mode is loss less medium 2. Cutoff frequency is zero C. Ratio of frequency in radian to phase velocity of EM wave 3. Quality factor of cavity D. TEM is the mode of lowest cutoff frequency 4. Cylindrical waveguide
-
Match the following:
List I List II A. Flash converter ADC 1. requires conversion time of a few μs B. Dual slope ADC 2. requires DAC C. Successive approximation ADC 3. minimizes the effect of power supply interference 4. requires complex hardware 5. is a tracking ADC
-
Match the following:
List I (Bits operator in C) List II (Meaning) A. ˜ 1. Bitwise XOR B. & 2. Bitwise AND C. | 3. Bitwise OR D. U 4. One's complement
-
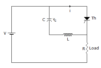
Match the following:
List I List II A. Line commutation 1. 
B. Resonant commutation 2. 
C. Complementary commutation 3. 
D. Self commutation 4. 
-
Match the following:
List I (Bit Pattern) List II (Register pairs) A. 00 1. SP B. 01 2. B-C C. 10 3. D-E D. 11 4. H-L

Whatsapp
Facebook