ECE :: Exam Questions Paper
-
The circuit shown below is the equivalent circuit of which one of the following microwave resonator types?

-
Consider the cascade structure of two filters.
Consider the following statements.- If f1 < f2 then it acts like band-pass filter
- If f1 < f2 then it acts like band-pass only if HPF follows LPF in other case it acts like a band stop filter
- If f1 > f2 then it acts all stop filter
-
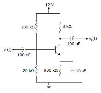
A small signal source vi(t) = A cos 20t + B sin106t is applied to a transistor amplifier as shown below. The transistor has β = 150 and hie = 3 kΩ. Which expression best approximates V0(t)

-
Consider the following circuits. Assume all gates to have finite propagation delay

Which of these circuits generate a periodic square wave at the output Vo? -
Which of the following does not apply to Yagi-Uda antenna
-
Consider the differential amplifier shown in figure. (Assume β is very high).

IE(approximately) = -
With regard to a transmission line, which of the following statements is correct?
-
Consider an input x(t) as shown
System impulse response is:
If input is passed through this system then output will be zero except -
Which of the following quantities cannot be measured/determined using Hall effect?
|
A.
Any impedance repeats itself every 1/4 on the Smith chart.
|
|
B.
The S.W.R. = 2 circle and the magnitude of reflection coefficient = 0.5 circle coincide on the Smith chart.
|
|
C.
At any point on a transmission line, the current reflection coefficient is the reciprocal of the voltage reflection coefficient.
|
|
D.
Matching eliminates the reflected wave between the source and the matching device location.
|

Whatsapp
Facebook
is: