ECE :: Exam Questions Paper
-
Following information is given:
- x(z) has two poles at z =
and z = - 1 - x(1) = 1, x(- 1) = 1
- ROC includes
- x(z) has two poles at z =
-
The feedback configuration and the pole-zero locations of G(s)
are shown below. The root locus for negative values k, i.e., for -∞ < k < 0, has breakaway/break in points and angle of departure at pole P (with respect to the positive real axis) equal to
-
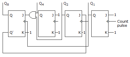
Consider the following, logic diagram :

The count sequence of the above logic diagram is : -
Which of the following has a major role in implementation of functions calls in C?
-
Effective Q of the equivalent electrical circuit of quartz crystal is of the order of
-
Two linearly polarized plane waves A and B travelling in free space in the positive x direction meet at a point. Wave A is polarized in the y direction and the wave B is polarized in the z direction. If the two waves are of equal amplitude and are in phase quadrature, the resultant wave will be
-
Consider the following statements regarding an antenna:
- It is a transducer
- Its performance is essentially frequency sensitive
- It is a reciprocal device
- With increase in its effective aperture area, width of the radiated beam increases.
-
The range of memory location in given memory interfacing scheme is

-
What was the first commercial geostationary communication satellite?
-
Assertion (A): When all inputs of a NAND-gate are shorted to get a one input, one output gate, it becomes an inverter.
Reason (R): When all inputs of a NAND-gate are at logic 'O' level, the output is at logic 'I' level.

u(n) + (-1)n u(- n - 1)
u(n - 1) + (-1)n - 1 u(- n)
Whatsapp
Facebook