ECE :: Exam Questions Paper
-
A system with transfer function
has an output
for the input signal
. Then, the system parameter 'p' is -
The current i(t), though a 10 Ω resistor in series with an inductance, is given by i(t) = 3 + 4 sin (10t + 45°) + 4 sin (300t + 60°) Amperes. The RMS value of the current and the power dissipated in the circuit are
-
A transmitter radiates a power 20 KW and its base current is 18A. The radiation resistance of the antenna is
-
e-2t is __________ .
-
The Boolean expression B⊕E is a simplified version of expression ABE + BCDE+ BC D E + A B D E + B C D E + A B D E then which of the following choice is correct?
- don't care conditions doesn't exist
- don't care conditions exist
- d( 16, 18, 20, 23, 27, 29) is the set of don't care conditions
- d( 16, 20, 22, 27, 29) is the set of don't care conditions
-
A white noise X(t) with two-sided power spectral density 1 x 10-10 W/Hz is input to a filter whose magnitude squared response is shown below.

The power of the output process Y(t) is given by -
A short vertical grounded antenna is required to radiate at 1 MHz. The effective height of the antenna is 302 m. The calculated value of radiation resistance is
-
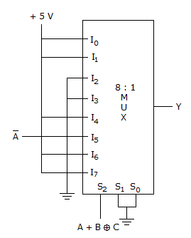
The following circuit diagram resembles :

-
Consider an angle modulated signal
x(t) = 6cos[2p x 106t + 2sin(8000pt) + 4cos(8000pt)] V
The average power of x(t) is

Whatsapp
Facebook

.
= 6.4 

.
.
e-4tdt
which is infinity



.
.