ECE :: Exam Questions Paper
-
A speech signal, band limited to 4kHz and peak voltage varying between + 5V and - 5V is sampled at the Nyquist rate. Each sample is quantized and represented by 8 bits. Assuming the signal to be uniformly distributed between its peak values, the signal to noise ratio at the quantizer output is
-
The drain current of a MOSFET in saturation is given by lp = K(VGS - VT)2 where K is a constant. The magnitude of the transconductance gm is
-
Two infinitely long wires carrying current are as shown in the figure below. One wire is in the y-z plane and parallel to the y-axis. The other wise is in the x-y plane and parallel to the x-axis. Which components of the resulting magnetic field are non-zero at the origin?

-
A uniform plane wave is described by the equation H =
A/m. If the velocity of the wave is 2 x 108 m/s and εr = 1.8, then. The electric field intensity is -
The amplitude modulated wave is given by __________ e = 25(1 + 0.7 cos 5000t - 0.3 cos 1000t) x sin 5 x 106t The amplitude of carrier and sideband frequencies in magnitudes are
-
A signal flow graph of a system is given below

The set of equations that correspond of this signal flow graph is -
If h1[n] = 3δ[n] + δ[n - 1], h2[n] = 2δ[n] + δ[n - 2]
h3[n] = δ[n] - 3δ[n - 1] + 7δ[n - 4] + 6δ[n - 6]
h[n] = h1[n] * h2[n] + h3[n] * h1[n] has value -
The feedback control system shown in the given figure represents


Whatsapp
Facebook
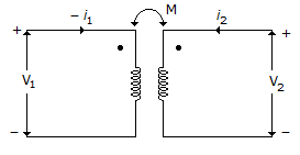
.
, we have, 


. 


.


+ M