ECE :: Exam Questions Paper
-
The signal y(t) = x(- t) is __________ .
-
The ratio of condition current density to displacement current density for a good conductor and a good dielectric is respectively __________ .
-
A 'n' bit sequence generator employing SR flip-flop has maximum length of the sequence as :
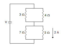
-
In the circuit shown below current through the resistor is shown. Voltage across 4 Ω resistor is:

-
If the function A, B are A = R + PQ + RS B = PQRS + PQRS + PQRS
Which of the following is true? -
In 8085 microprocessor system, what will be the total delay provided by the following loop.
MVI A, 11H
LXI B, 12FFH
Delay: DCX B
XTHL
NOP
XRA B
JNZ Delay
where system clock is operating at 3 MHz. -
A speech signal, band limited to 4kHz and peak voltage varying between + 5V and - 5V is sampled at the Nyquist rate. Each sample is quantized and represented by 8 bits. The number of quantization levels required to reduce the quantization noise by a factor of 4 would be
-
The maximum effective aperture of an antenna which is operating at wavelength of 2 m and has a directivity of 100 is __________ .

Whatsapp
Facebook
.
= 1 can be considered as the dividing line between the conductor and dielectrics for a good conductor 




= 3.154 m sec.
.