ECE :: Exam Questions Paper
-
The distance between target and radar is reduced to half. Power received increases by
-
The Causal system given below is __________
H(z) = 6 + z-1 - z-2 -
Given potential
sin Θ cos Φ, find flux density D at (2, 2p, 0) -
The following circuit is implementation of
- Sum of full adder
- Carry of half adder
- Difference of full subtractor
-
If the memory chip size is 256 x 1 bits, then the number of chips required to make up 1 kB (1024) bytes of memory is
-
A coil has a designed for high Q performance at a rated voltage and a specified frequency. If the frequency of operation is doubled, and the coil is operated at the same rated voltage, then the Q factor and the active power P consumed by the coil will be affected as follows.
-
The number of variables in a function is odd and the number of minterms with even number of 0's are same as the number of minterms with odd number at 1 's, the expression formed can be represented in __________ as well as __________ form.
-
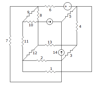
Find the number of loop equation and number of possible trees for the given graph.


Whatsapp
Facebook
.











.
.
= 2Q1 i.e. Q is doubled
.