ECE :: Electronic Devices and Circuits
-
The threshold voltage of an n-channel enhancement mode MOSFET is 0.5 when the device is biased at a gate voltage of 3V. Pinch off would occur at a drain voltage of
-
Which of these has degenerate p and n materials?
-
A Schottky diode clamp is used along with switching BJT for
-
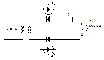
From the given circuit below, we can conclude that.

-
In a piezoelectric crystal, applications of a mechanical stress would produce
-
In which of the following is the width of junction barrier very small?
-
If the reverse voltage across a p-n junction is increased three times, the junction capacitance
-
Which of these has highly doped p and n region?
-
Measurement of Hall coefficient enables the determination of

Whatsapp
Facebook