ECE :: Control Systems
-
In the given figure shows the pole “ zero plot , The Transfer function F(s) is

- For the first order system having Transfer system 1/(1-sT),the unit impulse response is
- Signal flow graph is used to find _________
- As compared to a Closed loop system an Open loop system is
- Phase margin of a system is used to specify
- Gain cross - over frequency is defined as
- Which one of the following is an example of open “ loop system
- The principles of Homogeneity & Superposition are applied to
-
What is the Voltage gain of the following arrangement

-
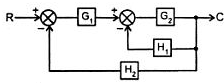
The Transfer function C/R of the block diagram given below is


Whatsapp
Facebook