ECE :: Automatic Control Systems
-
Assertion (A): If integral control action is included in the controller the offset can be eliminated.
Reason (R): Integral control action may lead to oscillatory response.
-
An ac tachometer has a drag cup construction so that
-
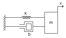
If
the breakaway and break in points in the root locus are located at -
Assertion (A): Feedback control systems offer more accurate control than open loop systems.
Reason (R): The feedback path establishes a link for comparison of input and output and subsequent error correction.
-
Examine the following statements
- Pneumatic systems are fire proof.
- Pneumatic systems are explosion proof.
- Hydraulic systems are explosion proof.
- Hydraulic systems are fire proof.
-
The addition of a zero to the open loop transfer function
-
Assertion (A): For a given system only one of the static error constants is finite and significant.
Reason (R): If finite static error constant is large, the loop gain becomes smaller as ω approaches zero.

Whatsapp
Facebook
