ECE :: Analog Electronics
-
Symbol shown in figure represents a

-
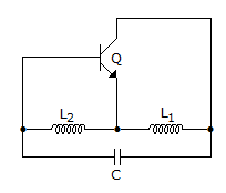
Figure shows basic Hartley oscillator configuration. Do you think the polarities marked for the split coiled are correct?

-
If the Q of a single-stage single-tuned amplifier is doubled, then its bandwidth will
-
A boot strap generally incorporates
-
The common-drain amplifier, better known as the source follower, has a voltage gain __________ and the output signal is __________ with the input signal.
-
In CB amplifier the distortion of the input voltage waveform may occur due to
-
As compared to full wave rectifier, a half wave rectifier
-
Assertion (A): A self bias circuit is the most commonly used bias circuit for bipolar junction transistors
Reason (R): A self bias circuit limits the increase in collector or emitter current due to change in junction temperature.
-
In an amplifier if conductor during the cycle is from 0 to 90° and again from 180° to 270°, the amplifier will be termed as
-
A sine wave with slew rate distortion looks like

Whatsapp
Facebook