ECE :: Analog Electronics
-
Which of the following components is essential for a voltage multiplier circuit?
-
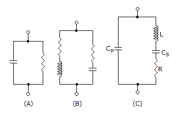
Which of the following represents the equivalent circuit of a crystal for crystal oscillator?

-
The transistor specification number 2N refers to
-
In figure, the function of resistor R is

-
The phase angle of lead circuit is
-
A generator with an internal resistance of 600 Ω drives an amplifier whose input resistance is 400 Ω. The generator's open circuit voltages is 1 mV; the amplifier develops 100mV across an 8kΩ load. The power gain is
-
The circuit of figure is

-
The upper end of the d.c. load line is called the __________ point and the lower end is the __________ point.

Whatsapp
Facebook
