Home / ECE / Analog Electronics :: Section 8

ECE :: Analog Electronics

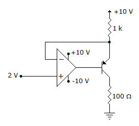
  1. In the circuit shown in the given figure, the current flowing through resistance of 100 Ω would be

  2. A.
    8 mA
    B.
    10 mA
    C.
    20 mA
    D.
    100 mA

  3. A sine wave is passed through an amplifier which severely limits it symmetrically. If then passes to a second amplifier which is narrow band and tuned to the frequency of the original sine wave. What will be the output wave from this second amplifier?

  4. A.
    A square wave of the same frequency as that of the original sine wave
    B.
    A square wave of double the frequency of that of original sine wave
    C.
    A sine wave of constant amplitude at the frequency of the original sine wave
    D.
    A sine wave of constant amplitude at double frequency of the original sine wave

  5. In which configuration is ac collector voltage zero?

  6. A.
    CE
    B.
    CB
    C.
    CC
    D.
    none of the above

  7. Which connection is rarely used?

  8. A.
    CE
    B.
    CB
    C.
    CC
    D.
    Both (a) and (b)

  9. Assertion (A): The main use of positive feedback is in oscillator circuits.

    Reason (R): In an oscillator the loop gain Aβ is kept slightly more than unity

  10. A.
    Both A and R are correct and R is correct explanation for A
    B.
    Both A and R are correct but R is not correct explanation for A
    C.
    A is correct R is wrong
    D.
    A is wrong R is correct

  11. In a transistor which of the following region is very lightly doped and is very thin?

  12. A.
    Emitter
    B.
    Base
    C.
    Collector
    D.
    None of the above

  13. The properties of FETs closely resemble those of a

  14. A.
    thermionic valve
    B.
    P-N-P transistor
    C.
    N-P-N transistor
    D.
    UJT

  15. The purpose of providing groundings rings with MOSFET is to

  16. A.
    avoid any stray voltage at the gate that may destroy SiO2 layer
    B.
    protect against any descaling
    C.
    ground all eddy currents
    D.
    protect against any physical injury

  17. The minimum value of hfe of a transistor used in RC phase shift oscillator is

  18. A.
    54.4
    B.
    45.4
    C.
    44.5
    D.
    29

  19. Self bias is an example of __________ feedback that tends to stabilize the drain current against changes in temperature and JFET replacement.

  20. A.
    variable
    B.
    low
    C.
    negative
    D.
    positive