ECE :: Analog Electronics
-
In figure, VEB = 0.6 V, β = 99. Then VC and IC are

-
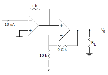
The input impedance of op-amp circuit of figure is

-
In a BJT circuit a pnp transistor is replaced by npn transistor. To analyse the new circuit
-
To protect the diodes in a rectifier and capacitor input filter circuit it is necessary to use
-
In a CE amplifier the input impedance is equal to the ratio of
-
For a system to work, as oscillator the total phase shift of the loop gain must be equal to
-
An amplifier has a large ac input signal. The clipping occurs on both the peaks. The output voltage will be nearly a
-
The transistor of following figure in Si diode with a base current of 40 μA and ICBO = 0, if VBB = 6V, RE = 2 kΩ and β = 90, IBQ = 20 μA then RB =

-
In the amplifier circuit of figure hfe = 100 and hie = 1000 Ω. The voltage gain of amplifier is about


Whatsapp
Facebook

9.3 V.
= -100 mV.
for oscillation
AB = 1 ∠0° or 360°.
.
.